ESG 低碳減排
高效率 低能耗 高精度
體積縮減 < 50%
放電回收 max 90%
精度控制 < 0.01% 0.02% ( V/I )
100% 足瓦
離線控制
併聯使用
完整通訊週邊
CAN 2.0
SMBus
I2C
UART
RS485
I/O Controller
Cell Voltage Scanner
Cell Temperature Scanner

新世代電池充放電測試平台 IVR 系列
採用雙向再生電力架構,可將直流放電能量轉換為交流電回饋電網,
放電直流轉交流整體轉換效率高於90%,有效減少散熱損耗與碳排放。

系統內建連線/離線(Stand-alone)控制引擎,電壓與電流誤差±0.01~0.02%,遠優於一般傳統DC/DC設備精度。
IVR 測試系統整合 CAN 2.0、SMBus、I²C、UART、RS485 多種通訊介面,並能擴充 I/O Controller、Cell Voltage Scanner、Temperature Scanner 等週邊,滿足純電芯組或搭載 BMS 電池組的多樣測試需求。
模組化通道設計可依測試規模彈性擴充,簡化佈建與後續維護。採 19U 機櫃式結構,功率密度高、占地小,並藉由高效率能量回收,每年可為中大型實驗室大幅降低電力與空調支出,協助企業達成 ESG 節能減碳目標。IVR 以「高效率、低能耗、高精度、完整通訊周邊」四大核心,成為研發驗證與量產質控現場最可靠且具經濟效益的電池測試解決方案。
適用領域
電池組特性規格測試
電池組通訊測試
動力電池組-行動維護
儲能系統-現場維護
工業電池組製造
一般電芯應用
電池組成品/半成品測試
SCPI 指令滿足二次開發需求
系統優勢
放電回收效率 max 90%
輸出控制精度 < 0.01~0.02% ( V/ I )、量測精度 < 0.02%
( V/ I )
100% 足瓦功率提供
模組化週邊通訊提供
模組化-電芯特性量測提供
允許離線控制(Stand-alone)
AC/DC雙向電源模組,安規認證IEC62477-1、IEC62116、
TUV/UL 62368-1、CB/UL/TUV 62368、CE
電氣規格(Specification)

應用模式
使用說明

使用一般區域網路連線
允許多個使用者,在不同台PC 同時使用連線。
設備出廠設定為靜態IP,使用者也可重置為動態IP 使用。
設備測試資料,按使用者不同自動拋轉給指定人員。

電池組特性測試
電池組容量測試、過載保護測試、充放電測試
可靠度測試、老化測試、成品/半成品測試。

電池組+ 通訊測試
電池組容量測試、過載保護測試、充放電測試
可靠度測試、老化測試、成品/半成品測試、通訊測試。
CAN 2.0、SMBus、I2C、UART、RS485
透過通訊取得電池組測試的換段或結束條件

電池組+ 電芯特性測試(電壓、溫度)
電池組容量測試、過載保護測試、充放電測試、可靠度測試、
老化測試、成品/半成品測試、電芯平衡測試、電芯溫度測試。
Cell Voltage Scanner取得各電芯電壓做為測試換段或結束條件。
Cell Temperature Scanner取得各個電芯溫度,或電池組指定位置溫度,做為測試換段或結束條件。

電池組+ 通訊+ 電芯特性測試(電壓、溫度)
電池組容量測試、過載保護測試、充放電測試
可靠度測試、老化測試、成品/半成品測試、通訊測試、電芯平衡測試、電芯溫度測試。
CAN 2.0、SMBus、I2C、UART、RS485
透過通訊取得電池組測試的換段或結束條件
Cell Voltage Scanner取得各電芯電壓做為測試換段或結束條件。
Cell Temperature Scanner取得各個電芯溫度,或電池組指定位置溫度,做為測試換段或結束條件。

PBOXv2 允許8 通到併聯使用
透過軟體設定2~8通道併聯或解併聯使用,無需硬體變更。

SCPI 允許第三方開發
透過SCPI 指令,允許使用者第三方應用開發。
ThinkPower SCPI 指令,提供完整指令文件、指令驗證工具、程序驗證工具。

搭配可程式恆溫恆溼箱
ThinkRP測試製程,允許充放電機通道搭配可程式恆溫恆溼箱。
使用者可設定多通道充放電機,使用在同一台可程式恆溫恆溼箱,進行大批量的電池環溫測試。

內建標準HPPC 測試
Hybrid Pulse Power Characterization Test (HPPC)
業界唯一提供可全程自定義,或參照內建標準的 HPPC 測試。自動產出測試曲線圖。

內建 IEC61960-3 DCIR 標準測試
Measurement of the internal DC resistance (DCR)
可嵌入測試製程,搭配不同特性測試後的 DCR 測試。
提供參數自定義,或參照內建標準的 DCR 測試,自動產出測試數據。

內建 SBS 特殊測試
搭配 GCR-V100A + GR300A 可測試 SBS 特殊測試。
◼ Smart Charge
◼ SPPCurrent
◼ SusPeakPower

測試流程 I/O 交握
搭配 GCR-V100A + IOR100A
可依照測試腳本需求,在測試流程中啟動 Relay、DO 觸發待測物。
或透過DI偵測待測物 IO Hi/Lo 狀態,控制測試腳本的流程。
世界級安規和認證(World-Class Safety Standards and Certifications)
安規/認證:
與非標準的客製品不同,AC/DC 雙向電源模組通過 IEC62116、TUV/UL 62368-1、CB/UL/TUV 62368與CE 認證要求,AC 並聯功能設計參照 IEC 62477-1 標準。不僅保障產品在高負載運行下的穩定性,還大幅降低了系統運行的潛在風險。
Made in Taiwan 全球標準化產品,品質穩定可靠:
選用國際知名廠商的量產規格產品,不僅確保了每批次的一致性,也避免了自量產產品可能臨的供應不穩定問題,為系統提供穩定的供應鏈支持。

節電看板/選配(Energy Management Dashboard/Option)



高效率放電電能回收( High-Efficiency Discharge Energy Recovery )
高精準度輸出vs 高效率放電電能回收:
與非標準的客製品不同在「放電-電能回收」模式下,IVR 以精密電流迴授與數位控制架構,於全量程內提供±0.02% F.S. 的放電電流控制精度與1 mA 解析度,並與量測模組的±0.02% F.S. 精度相互校準。此一致性確保功率計算與回收電能的可追溯性與重複性,降低長時測試的漂移風險;搭配內建HPPC、IEC61960 DCIR等標準流程與通訊/感測週邊,能在研發驗證與量產質控場景中,穩定輸出可比對、可複製的結果。

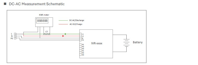
DC-AC 放電回收量測(DC-to-AC Measurement of Regenerative Discharge to Grid )
Only applicable to IVR-6030A.



機構規格(Mechanical Specification)





配件與選配(Accessoriesand Options)



※ CAN、I2C、SMBus通訊資料可作為充/放電條件判斷
※電壓、溫度量測資料可作為充/放電條件判斷
※Relay, IN, OUT可作為充/放電條件判斷,或程序輸出
※通訊讀取資料或量測值,與充放電資料合併整合
產品提供一年保固
新科電力科技股份有限公司
Think Power Technology Co., Ltd.
新北市五股區五權三路25號2樓
TEL:+886-2-22902095
FAX:+886-2-22900586
Email:sales@think-power.com.tw
wwww.think-power.com.tw 此DM規格僅供參考,如有變更不另行通知2026-02-21 V0.8